√ 2000 Chevy Silverado Power Window Wiring Diagram - Chevy Van Window Motor Wiring Diagram Wiring Diagram Schema Bare Track A Bare Track A Atmosphereconcept It : Swapped out doors on my '06 chevy silverado 1500 v8 5.3l 4x4 automatic transmission. - gonaalone

Kamis, 07 Januari 2021

2000 Chevy Silverado Power Window Wiring Diagram - Chevy Van Window Motor Wiring Diagram Wiring Diagram Schema Bare Track A Bare Track A Atmosphereconcept It : Swapped out doors on my '06 chevy silverado 1500 v8 5.3l 4x4 automatic transmission.

2000 Chevy Silverado Power Window Wiring Diagram - Chevy Van Window Motor Wiring Diagram Wiring Diagram Schema Bare Track A Bare Track A Atmosphereconcept It : Swapped out doors on my '06 chevy silverado 1500 v8 5.3l 4x4 automatic transmission.. The center instrument panel fuse block is located underneath the instrument panel, to the left of the steering column. Make absolutely sure you put the circuit breaker in so you don't have an unprotected circuit and. 2012 chevrolet silverado owner manual m. 2000 chevrolet malibu cooling fan circuit 28 kb. Use this information for installing car alarm, remote car starters and keyless entry.

The following schematic shows the 2003 chevrolet silverado horn system circuit and wiring diagram. Chevy silverado 2000, stage 2 power control module by jet®. I am in major need of a wiring diagram for power windows in my 1996 s10!!! 2007 chevy silverado driver door windows not working most likely your problem wiring from inside the. I need the wiring diagram on a 2000 chevy express 1500 cargo van.

Pontiac Montana Power Window Switch Wiring Diagram Pontiac Montana Pontiac Grand Am Pontiac
Pontiac Montana Power Window Switch Wiring Diagram Pontiac Montana Pontiac Grand Am Pontiac from i.pinimg.com
Handphone tablet desktop original size. Pdf documents that include descriptions and operation information on the body control system, datalink comm, bcm, headlamp, trailer wiring, brake control, junction. 2012 chevrolet silverado owner manual m. Seeking information regarding chevy power window wiring diagram? I need the wiring diagram on a 2000 chevy express 1500 cargo van. I think i'm missing out on a lot of power being that i can't get the engine to the rpm for the big cam to start making power. Discover best chevy silverado wiring diagram images and ideas on bing. Wiring diagrams, spare parts catalogue, fault codes free download.

Chevy truck forum | silverado sierra gmc truck forums.

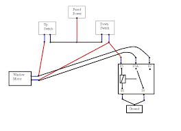
The center instrument panel fuse block is located underneath the instrument panel, to the left of the steering column. Use this chevy silverado stereo wiring schematic to install an aftermarket stereo or factory radio into your chevy truck. But when i roll them up i have to hit the button repeatally to get them to go up. Installing a stereo into your chevy silverado is easy to do with our truck audio wiring diagram. Power window rf switch, power window rr switch, power sunroof. Power windows on page 2‑21. My only problem is i only have one yellow wire, and i need 2 there is one for the rear speaker. Also i have tried to find a wiring diagram for a 2011 sierra power window system with no luck. Seeking information regarding chevy power window wiring diagram? Power window wire diagram mechanics use car wiring diagrams, sometimes referred to as schematics, to show them how automotive manufacturers construct. Looking for wiring diagram for 1989 chervrolet c2500 silverado. Share on facebook, opens a new window. This diagram is for the 2000 chevy silverado 5.3.

2005 chevy truck silverado fuel system parts and components. Here's the headlight wiring diagram for a chevrolet silverado with drl. Chevy truck forum | silverado sierra gmc truck forums. The service manual can be found at your local library. Chevy silverado 2000, stage 2 power control module by jet®.

2001 Chevy 2500hd Transfer Case Wiring Diagram Typical Home Theater Wiring Diagram Wiring Diagram Schematics
2001 Chevy 2500hd Transfer Case Wiring Diagram Typical Home Theater Wiring Diagram Wiring Diagram Schematics from cimg5.ibsrv.net
I need the wiring diagram on a 2000 chevy express 1500 cargo van. Light duty full size silverado/sierra truck electrical manuals. Seeking information regarding chevy power window wiring diagram? Not a huge deal, as i just flipped the wiring on the vehicle side around to make it work. Wiring diagrams, spare parts catalogue, fault codes free download. Handphone tablet desktop original size. You can find a 1999 chevrolet corvette radio wiring diagram in a corvette service manual. I have lost power to my trailer brake controller and cannot find the fuse for it i have a 2007 chevy silverado 2500hd 4x4 6.0 ext 4 dr cab classic body.

Looking for wiring diagram for 1989 chervrolet c2500 silverado.

Seeking information regarding chevy power window wiring diagram? Power window rf switch, power window rr switch, power sunroof. I installed this unit today and the wiring was backwards. If you want to troubleshoot a headlight problem in your chevrolet siverado the bcm sees the voltage and provides power to the control coil on the headlight relay. Here's the headlight wiring diagram for a chevrolet silverado with drl. Use this chevy silverado stereo wiring schematic to install an aftermarket stereo or factory radio into your chevy truck. Also i have tried to find a wiring diagram for a 2011 sierra power window system with no luck. I have lost power to my trailer brake controller and cannot find the fuse for it i have a 2007 chevy silverado 2500hd 4x4 6.0 ext 4 dr cab classic body. Chevrolet silverado 1500, chevrolet silverado 2500. I need the wiring diagram on a 2000 chevy express 1500 cargo van. I am in major need of a wiring diagram for power windows in my 1996 s10!!! Also wondering where the plug from the factory radio this white/red wire will provide a switched power source for your 2008 chevrolet colorado stereo. The center instrument panel fuse block is located underneath the instrument panel, to the left of the steering column.

Chevy truck forum | silverado sierra gmc truck forums. Power window rf switch, power window rr switch, power sunroof. I am in major need of a wiring diagram for power windows in my 1996 s10!!! There are several generations of this popular chevy truck, and today i'll be showing. Make absolutely sure you put the circuit breaker in so you don't have an unprotected circuit and.

Diagram 2000 Suburban Power Window Wiring Diagram Full Version Hd Quality Wiring Diagram Instadiagram Carpakoi It
Diagram 2000 Suburban Power Window Wiring Diagram Full Version Hd Quality Wiring Diagram Instadiagram Carpakoi It from schemacache.com
Wiring diagrams, spare parts catalogue, fault codes free download. This diagram is for the 2000 chevy silverado 5.3. Driver side power window circuit breaker. Share on facebook, opens a new window. Seeking information regarding chevy power window wiring diagram? Body control module, horn switch, horn relay and fuse. The main wiring for power goes: I installed this unit today and the wiring was backwards.

Now you need a factory wiring diagram & do some testing.

Updated daily with the best images from around the web. There are several generations of this popular chevy truck, and today i'll be showing. 2005 chevy truck silverado fuel system parts and components. 1973 1978 chevrolet truck power window wiring diagram 65 kb. I think i'm missing out on a lot of power being that i can't get the engine to the rpm for the big cam to start making power. Installing a stereo into your chevy silverado is easy to do with our truck audio wiring diagram. Also wondering where the plug from the factory radio this white/red wire will provide a switched power source for your 2008 chevrolet colorado stereo. Discover best chevy silverado wiring diagram images and ideas on bing. Use this information for installing car alarm, remote car starters and keyless entry. That closes the contacts and provides power to both the left and. 2001 silverado fuse diagram online wiring diagram i n. This diagram is for the 2000 chevy silverado 5.3. Make absolutely sure you put the circuit breaker in so you don't have an unprotected circuit and.