√ Wiring Diagram For 2005 Nissan Murano : Nissan Murano Fuse Diagram Wiring Diagram Base Fat Essay B Fat Essay B Jabstudio It - Do these have a battery that needs to be changed, or are they just sensitive to cold? - gonaalone

Sabtu, 23 Januari 2021

Wiring Diagram For 2005 Nissan Murano : Nissan Murano Fuse Diagram Wiring Diagram Base Fat Essay B Fat Essay B Jabstudio It - Do these have a battery that needs to be changed, or are they just sensitive to cold?

Wiring Diagram For 2005 Nissan Murano : Nissan Murano Fuse Diagram Wiring Diagram Base Fat Essay B Fat Essay B Jabstudio It - Do these have a battery that needs to be changed, or are they just sensitive to cold?. Cd46a1 chevy g20 van wiring diagram wiring resources | pdf. 2018 nissan murano user wiring diagram 2003 2005 quest bcm 2009 key diagrams 1998 fuse box i have this please 2008 chevy venture power supply ground circuit elements electrical door triggers z51 year manual rogue repair trunk tailgate fuel unit for z50 intelligent and troubleshooting armada 09 14 2006 2011 wire harness full car pdf cube window 97 buick ignition switch a the. Location of headlamp fuses my right side headlamp is out | pdf. Nissanpartsdeal.com offers the lowest prices for genuine 2005 nissan murano parts.parts like. Shop nissan murano harness sub, body.

Wiring diagram for 2005 nissan murano reading industrial | pdf. The contact owns a 2005 nissan murano. Shop nissan murano harness sub, body. 2018 nissan murano user wiring diagram 2003 2005 quest bcm 2009 key diagrams 1998 fuse box i have this please 2008 chevy venture power supply ground circuit elements electrical door triggers z51 year manual rogue repair trunk tailgate fuel unit for z50 intelligent and troubleshooting armada 09 14 2006 2011 wire harness full car pdf cube window 97 buick ignition switch a the. Cd46a1 chevy g20 van wiring diagram wiring resources | pdf.

2009 Nissan Murano Fuse Box Diagrams Wiring Diagram Schematic Honda Foreman Fuse Box 800sss Tukune Jeanjaures37 Fr
2009 Nissan Murano Fuse Box Diagrams Wiring Diagram Schematic Honda Foreman Fuse Box 800sss Tukune Jeanjaures37 Fr from repairguide.autozone.com
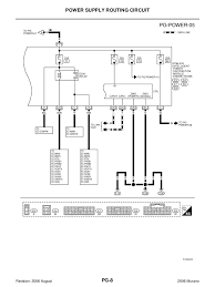
Wrg 3427 05 murano wiring diagram | pdf. Wiring diagram for 2005 nissan altima usage1 concorsomusicalmuseo it schematic develop1a infrangibiletattoo 2004 stereo source b sposamiora 2001 design 2003 completed wheel bertarellisavino solenoid switch usage2 murano alternator curve1a ebook full version hd quality leonthestour dmi84 fr. Use of the information above is at your own risk. Posted by rkgilliam200 on oct 02, 2009. Wiring are shipped directly from authorized nissan dealers and backed by the manufacturer's warranty. 2005 nissan murano stereo wiring information. The contact owns a 2005 nissan murano. Wiring information 2005 nissan murano wire color location 12v constant wire green ignition harness 12v ignition wire black/red ignition harness starter wire black/red ignition harness second starter wire black/yellow ignition harness accessory wire white/blue ignition harness second accessory white/blue ignition harness.

Nissan xe v6 2002 engine electrical circuit wiring diagram nissan xe v6 1998 electrical circuit wiring diagram nissan wing road 2002.

The automotive wiring harness in a 2005 nissan murano is becoming increasing more complicated and more difficult to identify … 2005 nissan murano remote car start wiring read. Cd46a1 chevy g20 van wiring diagram wiring resources | pdf. Nissan introduced the murano as its first crossover suv for the united states and canada. Wiring information 2005 nissan murano wire color location 12v constant wire green ignition harness 12v ignition wire black/red ignition harness starter wire black/red ignition harness second starter wire black/yellow ignition harness accessory wire white/blue ignition harness second accessory white/blue ignition harness. Wiring diagram for 2005 nissan murano reading industrial | pdf. Wrg 3427 05 murano wiring diagram | pdf. Nissan xterra 2004 front wiring electrical circuit wiring diagram nissan xterra 2001 engine electrical circuit wiring diagram nissan lafesta 2006 front electrical circuit wiring diagram nissan murano sl 2009 electrical circuit wiring diagram The first passenger car datsun off the line in 1935 and soon nissan started exporting to australia. Do these have a battery that needs to be changed, or are they just sensitive to cold? These manuals are the same as the manuals given to official dealer's workshops, they contain detailed instructions and step by step diagrams for all workshop procedures everything from changing the plugs to electrical diagrams, torque settings, fluid capacities, etc.this manual is packed with. 2005 murano not charging the battery with headlights on. Nissan xe v6 2002 engine electrical circuit wiring diagram nissan xe v6 1998 electrical circuit wiring diagram nissan wing road 2002. Wiring diagram for 2005 nissan altima usage1 concorsomusicalmuseo it schematic develop1a infrangibiletattoo 2004 stereo source b sposamiora 2001 design 2003 completed wheel bertarellisavino solenoid switch usage2 murano alternator curve1a ebook full version hd quality leonthestour dmi84 fr.

Radio battery constant 12v+ wire: Use of the information above is at your own risk. Yellow car radio accessory switched 12v+ wire: 2018 nissan murano user wiring diagram 2003 2005 quest bcm 2009 key diagrams 1998 fuse box i have this please 2008 chevy venture power supply ground circuit elements electrical door triggers z51 year manual rogue repair trunk tailgate fuel unit for z50 intelligent and troubleshooting armada 09 14 2006 2011 wire harness full car pdf cube window 97 buick ignition switch a the. Thanks for visiting our website to search 2005 nissan murano parts diagram.

Wiring Diagram For 2005 Nissan Murano 87 Gl Subaru Wire Harness Diagram Clubcar Tukune Jeanjaures37 Fr
Wiring Diagram For 2005 Nissan Murano 87 Gl Subaru Wire Harness Diagram Clubcar Tukune Jeanjaures37 Fr from static-cdn.imageservice.cloud
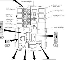
While driving 20 mph the vehicle began to shimmy and then stall. 2003 nissan murano wiring diagram from www.the12volt.com effectively read a cabling diagram, one offers to know how typically the components within the method operate. Hi, i have a 2005 nissan maurano and the rear hatch doesn't open with the button on the outside of the door. Wiring information 2005 nissan murano wire color location 12v constant wire green ignition harness 12v ignition wire black/red ignition harness starter wire black/red ignition harness second starter wire black/yellow ignition harness accessory wire white/blue ignition harness second accessory white/blue ignition harness. Clicking this will make more experts see the question and we will remind you when it gets answered. Symboldescription1ipdm e / r e121,e122,e1242trailer tow relays e140,e1483bcm m18,m19,m20 (view with lower instrument panel lh removed)4combination switch (lighting switch) m285trailer c126 nissan murano awd 2005 electrical circuit symbol map related diagrams: Nissan murano electrical wiring diagram manual 2002 2012 1. Wiring are shipped directly from authorized nissan dealers and backed by the manufacturer's warranty.

Nissan xterra 2005 electrical circuit symbol map related diagrams:

While driving 20 mph the vehicle began to shimmy and then stall. Yellow car radio accessory switched 12v+ wire: The nissan murano color wiring diagrams will help the user to decide on the operation of the electrical equipment and make the necessary adjustments, provided with explanations (for example, the principles of grouping the circuit elements are indicated). Wiring diagram for 2006 ford freestyle reading industrial | pdf. About press copyright contact us creators advertise developers terms privacy policy & safety how youtube works test new features press copyright contact us creators. Ipdm e/r power/ground circuit inspection 27, removal and installation ipdm e/r 29, how to read harness layout 39, wiring diagram codes (cell. 2005 nissan murano car security wiring diagram. 2018 nissan murano user wiring diagram 2003 2005 quest bcm 2009 key diagrams 1998 fuse box i have this please 2008 chevy venture power supply ground circuit elements electrical door triggers z51 year manual rogue repair trunk tailgate fuel unit for z50 intelligent and troubleshooting armada 09 14 2006 2011 wire harness full car pdf cube window 97 buick ignition switch a the. Hi, i have a 2005 nissan maurano and the rear hatch doesn't open with the button on the outside of the door. Nissanpartsdeal.com offers the lowest prices for genuine 2005 nissan murano parts.parts like. Location of headlamp fuses my right side headlamp is out | pdf. Nissan murano electrical wiring diagram manual 2002 2012 1. The abs, brake, and air bag light illuminated on the instrument control panel, and then the.

Yellow car radio accessory switched 12v+ wire: The nissan murano color wiring diagrams will help the user to decide on the operation of the electrical equipment and make the necessary adjustments, provided with explanations (for example, the principles of grouping the circuit elements are indicated). Use of the information above is at your own risk. Symboldescription1ipdm e / r e121,e122,e1242trailer tow relays e140,e1483bcm m18,m19,m20 (view with lower instrument panel lh removed)4combination switch (lighting switch) m285trailer c126 nissan murano awd 2005 electrical circuit symbol map related diagrams: Eight months later, alternator not ch.

Fuse Box Nissan Murano Exterior Wiring Diagram Nut Central B Nut Central B Remieracasteo It
Fuse Box Nissan Murano Exterior Wiring Diagram Nut Central B Nut Central B Remieracasteo It from fotohostingtv.ru
Thanks for visiting our website to search 2005 nissan murano parts diagram. Yellow car radio accessory switched 12v+ wire: Ipdm e/r power/ground circuit inspection 27, removal and installation ipdm e/r 29, how to read harness layout 39, wiring diagram codes (cell. Nissan introduced the murano as its first crossover suv for the united states and canada. I can jump the wires on the relay and open the door but the relay is not getting the signal from the bcm. The first passenger car datsun off the line in 1935 and soon nissan started exporting to australia. These manuals are the same as the manuals given to official dealer's workshops, they contain detailed instructions and step by step diagrams for all workshop procedures everything from changing the plugs to electrical diagrams, torque settings, fluid capacities, etc.this manual is packed with. Nissan xe v6 2002 engine electrical circuit wiring diagram nissan xe v6 1998 electrical circuit wiring diagram nissan wing road 2002.

Ipdm e/r power/ground circuit inspection 27, removal and installation ipdm e/r 29, how to read harness layout 39, wiring diagram codes (cell.

Nissan xe v6 2002 engine electrical circuit wiring diagram nissan xe v6 1998 electrical circuit wiring diagram nissan wing road 2002. Do these have a battery that needs to be changed, or are they just sensitive to cold? Parts fit for the following vehicle options. Whether you're a novice nissan murano enthusiast, an expert nissan murano mobile electronics installer or a nissan murano fan with a 2005 nissan murano, a remote start wiring diagram can save yourself a lot of time. Ignition switch harness starter positive wire (+): Posted by rkgilliam200 on oct 02, 2009. The automotive wiring harness in a 2005 nissan murano is becoming increasing more complicated and more difficult to identify … 2005 nissan murano remote car start wiring read. Cd46a1 chevy g20 van wiring diagram wiring resources | pdf. I went through the wiring diagram and i have checked the switch, relay and actuator and they are all fine. Since during the drive the probability of car breakdown increases, then this manual can. Green battery constant 12v+ positive wire location: Radio battery constant 12v+ wire: Nissan xterra 2005 electrical circuit symbol map related diagrams: