√ 2001 Honda Civic Ex Engine Diagram : 2001 Honda Civic Serpentine Belt Routing And Timing Belt Diagrams : The manual shows how to properly troubleshoot the engine and it's components. - gonaalone

Kamis, 18 Maret 2021

2001 Honda Civic Ex Engine Diagram : 2001 Honda Civic Serpentine Belt Routing And Timing Belt Diagrams : The manual shows how to properly troubleshoot the engine and it's components.

2001 Honda Civic Ex Engine Diagram : 2001 Honda Civic Serpentine Belt Routing And Timing Belt Diagrams : The manual shows how to properly troubleshoot the engine and it's components.. Detailed honda civic engine and associated service systems (for repairs and overhaul) (pdf). Honda civic ex 2001 pdf user manuals. Read reviews, browse our car inventory, and more. If the check engine light on your 2003 civic is intermittent, try to take note of the conditions when this happens. Wiring diagrams honda by year.

For the honda civic 2001, 2002, 2003, 2004, 2005,2006 model year. We get a lot of people coming to the site looking to get themselves a free honda civic haynes manual. Honda civic ex 2001 pdf user manuals. Not sure if it is what the engine uses to time the spark as with most normal crankshaft sensors; A wiring diagram can also be found this way, but it can be confusing unless you're familiar with how to read an automotive wiring diagram.

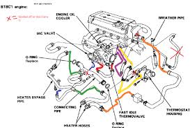
Honda Civic 02 Honda Civic Engine Diagram
Honda Civic 02 Honda Civic Engine Diagram from lh3.googleusercontent.com
A wiring diagram can also be found this way, but it can be confusing unless you're familiar with how to read an automotive wiring diagram. Superior size and weight grading within each set. You can just replace the throttle position sensor… i have code p0122 on my 05 honda civic ex. The owner's manual explains the various features and functions of your honda, offers operation tips and suggestions for vehicle care and maintenance, provides specific details on safety systems, and includes comprehensive technical. • 1,6 млн просмотров 10 месяцев назад. Fuse box diagram (location and assignment of electrical fuses) for honda civic (1996, 1997, 1998, 1999, 2000). Detailed features and specs for the used 2001 honda civic including fuel economy, transmission, warranty, engine type, cylinders, drivetrain and more. If you are leaking oil and parking on your oil spots each night, the oil is breaking down your tires' rubber.

An engine diagram for a 2001 honda civic is available through a 2001 civic factory service repair manual.

Fuse box diagram (location and assignment of electrical fuses) for honda civic (1996, 1997, 1998, 1999, 2000). I just need a diagram of the engine so i can. 2001 honda civic ex 1.7l 4 cyl. We get a lot of people coming to the site looking to get themselves a free honda civic haynes manual. For the honda civic 2001, 2002, 2003, 2004, 2005,2006 model year. What are pros and cons? Honda civic ex 2001 pdf user manuals. Honda civic 1.7l cng / gas 2001, pro tru sport compact™ piston by wiseco®. I thought that signal came from the. Read reviews, browse our car inventory, and more. Hopefully we provide this is helpful for you. Changing spark plugs, brake fluids, oil changes, engine rebuilds, electrical faults. General technical questions and information (oil type, maintenance, etc.) honda civic ex:

If the check engine light on your 2003 civic is intermittent, try to take note of the conditions when this happens. Diagrams, specifications, step by stepinstructions, pictures, procedures and much more.file format: I thought that signal came from the. Changing spark plugs, brake fluids, oil changes, engine rebuilds, electrical faults. The owner's manual explains the various features and functions of your honda, offers operation tips and suggestions for vehicle care and maintenance, provides specific details on safety systems, and includes comprehensive technical.

Honda Civic 2001 Main Relay Fuse Box Block Circuit Breaker Diagram Carfusebox
Honda Civic 2001 Main Relay Fuse Box Block Circuit Breaker Diagram Carfusebox from www.carfusebox.com
Honda civic 1.7l 2001, engine piston by enginetech®. Read reviews, browse our car inventory, and more. I thought that signal came from the. The manual shows how to properly troubleshoot the engine and it's components. Detailed honda civic engine and associated service systems (for repairs and overhaul) (pdf). I just need a diagram of the engine so i can. What are pros and cons? Thank you for visiting our website to locate 2001 honda civic ex engine diagram.

The interior fuse box is located underneath the steering column.

Diagrams, specifications, step by stepinstructions, pictures, procedures and much more.file format: The civic handles well and has a sporty firm ride. Hey i need a diagram for my 02 civic ex 2dr engine. Superior size and weight grading within each set. Detailed honda civic engine and associated service systems (for repairs and overhaul) (pdf). I just need a diagram of the engine so i can. • 1,6 млн просмотров 10 месяцев назад. You can just replace the throttle position sensor… i have code p0122 on my 05 honda civic ex. If the check engine light on your 2003 civic is intermittent, try to take note of the conditions when this happens. Search online for 2001 honda accord owner's manual, and you'll sooner or later come up with a pdf of the actual manual that someone has scanned and posted. Changing spark plugs, brake fluids, oil changes, engine rebuilds, electrical faults. What are pros and cons? General technical questions and information (oil type, maintenance, etc.) honda civic ex:

A wiring diagram can also be found this way, but it can be confusing unless you're familiar with how to read an automotive wiring diagram. With this honda civic workshop manual, you can perform every job that could be done by honda garages and mechanics from: What are pros and cons? Thank you for visiting our website to locate 2001 honda civic ex engine diagram. Detailed honda civic engine and associated service systems (for repairs and overhaul) (pdf).

Honda Civic 05 Main Relay And Fuel Pump Relay Location And Wiring Diagram
Honda Civic 05 Main Relay And Fuel Pump Relay Location And Wiring Diagram from www.justanswer.com
The civic handles well and has a sporty firm ride. An engine diagram for a 2001 honda civic is available through a 2001 civic factory service repair manual. Thank you for visiting our website to locate 2001 honda civic ex engine diagram. The owner's manual explains the various features and functions of your honda, offers operation tips and suggestions for vehicle care and maintenance, provides specific details on safety systems, and includes comprehensive technical. Detailed features and specs for the used 2001 honda civic including fuel economy, transmission, warranty, engine type, cylinders, drivetrain and more. Superior size and weight grading within each set. The honda civic 2001 workshop manual ex sedan. 2001 honda civic ex 1.7l 4 cyl.

• 1,6 млн просмотров 10 месяцев назад.

Read reviews, browse our car inventory, and more. For the honda civic 2001, 2002, 2003, 2004, 2005,2006 model year. Honda civic ex 2001 pdf user manuals. An engine diagram for a 2001 honda civic is available through a 2001 civic factory service repair manual. I thought that signal came from the. • 1,6 млн просмотров 10 месяцев назад. Superior size and weight grading within each set. Hey i need a diagram for my 02 civic ex 2dr engine. Search online for 2001 honda accord owner's manual, and you'll sooner or later come up with a pdf of the actual manual that someone has scanned and posted. Hopefully we provide this is helpful for you. Detailed features and specs for the used 2001 honda civic including fuel economy, transmission, warranty, engine type, cylinders, drivetrain and more. Honda civic 1.7l 2001, engine piston by enginetech®. With this honda civic workshop manual, you can perform every job that could be done by honda garages and mechanics from: