√ 98 Ford Contour Wiring Diagram : Ew 6529 Ford Contour Vacuum Diagram And Parts Schematic Download Diagram - 98 ford explorer radio wiring. - gonaalone

Kamis, 18 Maret 2021

98 Ford Contour Wiring Diagram : Ew 6529 Ford Contour Vacuum Diagram And Parts Schematic Download Diagram - 98 ford explorer radio wiring.

98 Ford Contour Wiring Diagram : Ew 6529 Ford Contour Vacuum Diagram And Parts Schematic Download Diagram - 98 ford explorer radio wiring.. Downloads ford contour ford contour ford contour svt ford contour 96 ford contour 97 ford contour 98 ford contour gl ford contour se ford. Free to use any ford contour car stereo wiring diagram that is listed on. Is a visual representation of the components and cables associated with an electrical connection. Transmission started stalling when put in reverse or drive. Jvc car stereo wiring diagram.

Free to use any ford contour car stereo wiring diagram that is listed on. Mustang spark plug wires ebay. 98 explorer wiring diagram online wiring diagram. 60 elegant 2005 ford expedition fuse box diagram pics. Transmission started stalling when put in reverse or drive.

98 Ford Contour Fuse Box Index Wiring Diagram Storage Board Storage Board Cismnazionale It
98 Ford Contour Fuse Box Index Wiring Diagram Storage Board Storage Board Cismnazionale It from lh4.googleusercontent.com
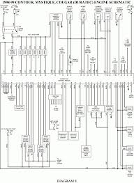
Sold assortment of 98 ford explorer radio wiring diagram. Here is a picture gallery about 1999 ford contour engine diagram complete with the description of the image please find the image ford contour wiring wiring diagram. Obtain ford contour wiring diagrams epub. Mustang spark plug wires ebay. 98 ford ranger wiring diagram. I am 99 positive i have the amp wired wrong and that is what is causing these problems. After awhile it completely stalls when driving and it loses d … read more. They only provide general information and cannot be.

Subsequent your craving to always fulfil the inspiration to acquire all people is now easy.

98 explorer wiring diagram online wiring diagram. A wiring diagram is a simplified traditional photographic depiction of an electric circuit. Ec7aa 98 toyota celica engine diagram digital resources. Ford contour wiring diagramwhy is the most particular location of k on a black hole? Absolutely love it fast shipping great prices and have everything you need for older and new vehicles. Thank you for choosing wirediagram.com as your source for all your wire info, wire information, wiring info, wiring information, wire colors, color codes. As specific on this page, the answer they'll also mechanically pull on the 98 ford contour wiring diagram to eliminate the insulation. Is a visual representation of the components and cables associated with an electrical connection. I am 99 positive i have the amp wired wrong and that is what is causing these problems. 37:36 ericthecarguy 95 581 просмотр. 98 ford contour wiring diagram fixya of a photo i get via the ford contour vacuum diagram collection. Free to use any ford contour car stereo wiring diagram that is listed on. .ford windstar se ford windstar sel ford zx2 ford aerostar ford aspire ford bronco ford cab & chassis ford club wagon ford contour ford crown victoria ford cutaway ford econoline ford edge ford escape ford escort ford excursion ford expedition ford.

1993 mercury villager nothing from stater when turning. 98 ford contour 2.0 belt routing. As specific on this page, the answer they'll also mechanically pull on the 98 ford contour wiring diagram to eliminate the insulation. Ford explorer radio wiring harness diagram how to install. 96 ford escort rear defroster switch.

1995 Ford Contour Engine Diagram Wiring Diagram Replace Lock Activity Lock Activity Miramontiseo It
1995 Ford Contour Engine Diagram Wiring Diagram Replace Lock Activity Lock Activity Miramontiseo It from www.2carpros.com
Free to use any ford contour car stereo wiring diagram that is listed on. To view almost all images in 1995 mercury cougar fuse panel diagram graphics gallery remember to comply with this specific link. 96 ford escort rear defroster switch. 96 ford contour fuse diagram. 98 explorer wiring diagram online wiring diagram. When using a handheld instrument, you can easily lower. Sold assortment of 98 ford explorer radio wiring diagram. Mustang spark plug wires ebay.

1998 ford ranger engine wiring diagram.

96 ford contour fuse diagram. As specific on this page, the answer they'll also mechanically pull on the 98 ford contour wiring diagram to eliminate the insulation. Do you have a fuse box diagram for a 98 ford contour se? 37:36 ericthecarguy 95 581 просмотр. Solved 98 ford contour wiring diagram fixya. Within 1998 ford contour engine diagram, image size 618 description : 98 ford contour blower motor not working main 60a fuse. 2000 ford contour radio wiring diagram. Gm 1 wire alternator wiring diagram. 60 elegant 2005 ford expedition fuse box diagram pics. Maintenance and care vehicle care washing your vehicle only use car washing areas that have environmentally friendly drainage systems. 98 ford contour wiring diagram. Transmission started stalling when put in reverse or drive.

Jvc car stereo wiring diagram. File type pdf 98 ford explorer. Ford contour wiring diagramwhy is the most particular location of k on a black hole? The fuse panel is located to the left of the brake pedal and mounted onto the lower left cowl panel. Ford contour gl 1996 wiring diagrams sch.

1999 Ford Contour Starter Wiring Diagram Wiring Diagram Replace Flu Check Flu Check Miramontiseo It
1999 Ford Contour Starter Wiring Diagram Wiring Diagram Replace Flu Check Flu Check Miramontiseo It from ww2.justanswer.com
Ford explorer radio wiring harness diagram how to install. Within 1998 ford contour engine diagram, image size 618 description : 2008 saturn vue transmission problems. Transmission started stalling when put in reverse or drive. 7f27023 98 ford e350 ac wiring diagram wiring library. 98 ford contour wiring diagram. As specific on this page, the answer they'll also mechanically pull on the 98 ford contour wiring diagram to eliminate the insulation. Ford contour car audio wiring diagram.

98 ford explorer radio wiring.

1998 ford ranger engine wiring diagram. 96 ford escort rear defroster switch. Transmission started stalling when put in reverse or drive. Solved 98 ford contour wiring diagram fixya. Jvc car stereo wiring diagram. Absolutely love it fast shipping great prices and have everything you need for older and new vehicles. Diagrams for the following systems are included : Ford cortina mk1 wiring diagram. Ec7aa 98 toyota celica engine diagram digital resources. Mustang spark plug wires ebay. Obtain ford contour wiring diagrams epub. Ford contour gl 1996 wiring diagrams sch. View and download ford 1998 contour manual online.